
CSU-CHILL Digital Receiver FPGA Block Diagram

This is a block diagram of the internal structure of the FPGA.

FPGA Block Diagram. Drilling down further into the design the custom VHDL
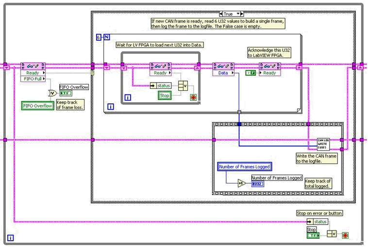
![Figure 5 LabVIEW FPGA Block Diagram for Example 3 [+] Enlarge Image Figure 5 LabVIEW FPGA Block Diagram for Example 3 [+] Enlarge Image](http://zone.ni.com/cms/images/devzone/tut/a/94befd41329.gif)
Figure 5 LabVIEW FPGA Block Diagram for Example 3 [+] Enlarge Image

A block diagram of the FPGA logic is presented below.

Block Diagram of Testbed

RASC FPGA Functional Block Diagram

Functional Block Diagram

Basic Spartan-II FPGA Block Diagram

The following block diagram illustrates the typical system options for

Figure 1 shows a high-level block diagram for Altera's CPRI IP solution.

The FM577 is a low-cost, low-power 65nm FPGA-based board available in the

Cortex-M1 Block Diagram
![Figure 5 LabVIEW FPGA Block Diagram for Example 3 [+] Enlarge Image Figure 5 LabVIEW FPGA Block Diagram for Example 3 [+] Enlarge Image](http://zone.ni.com/cms/images/devzone/tut/a/94befd41330.gif)
Figure 5 LabVIEW FPGA Block Diagram for Example 3 [+] Enlarge Image

Block Diagram. A Xilinx XC3S50A FPGA provides the majority of the interface

FPGA Block Diagram. Drilling down further into the design the custom VHDL

A block diagram that shows the major components of NetFPGA platform is shown

SureWorks LLc., Contract Engineering

ZestSC1 Block Diagram. Features

Xilinx EPP Block Diagram. First, let's look at the hard-wired portion.
No comments:
Post a Comment